家用盆栽土壤墒情检测仪研究设计
2020-06-11
4
核心提示:随着人民生活水平的提高及环保意识增强,对家庭盆栽植物追求也越来越高,但大多数人对植物的生活特性不太了解,且因为个人事务繁忙,致使植物出现干旱甚至枯死的现状。
家用盆栽土壤墒情检测仪研究设计
摘要:随着人民生活水平的提高及环保意识增强,对家庭盆栽植物追求也越来越高,但大多数人对植物的生活特性不太了解,且因为个人事务繁忙,致使植物出现干旱甚至枯死的现状。目前土壤墒情检测市场的产品基本都是针对种植业研制的,设备专业,价格昂贵,操作困难,对于大多数家庭来说实用性差。
基于此,本文研究设计一款土壤温湿度墒情仪器,利用单片机通过传感器模块、显示模块、报警模块实现对家庭盆栽土壤墒情的检测显示与报警。预留串行通信接口,可实现与智能家居通信对接。
本文研究设计了一套针对普通家庭用来检测盆栽植物土壤温湿度墒情的仪器,可以方便的实现对盆栽土壤墒情的检测显示,并且可以根据不同植物生长特性设置温湿度信息,通过检测土壤墒情与预设信息比较,适时提醒使用者是否对植物浇水或是其他处理。同时预留了串行通信接口,可实现通信扩展以便与智能家居实现对接。
1硬件电路设计
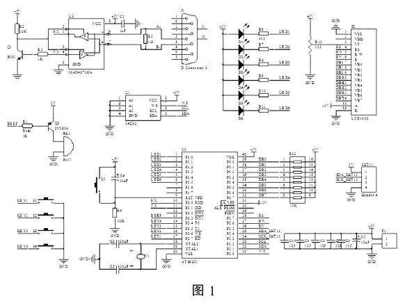
本系统以AT89S51单片机为核心控制器和温湿度探测传感器模块、LCD显示模块、声光报警模块、按键模块、存储模块、通信模块等六个外围模块。
1.1探测传感器模块
探测传感器模块采用SHT11土壤型温湿度传感器,传感探头核心部件为原装进口温湿度传感器,对温湿度进行采集并转化成数字信息,通过I2C总线与单片机连接。湿度测量范围:0~100%RH,测量精度:±3%RH;温度测量范围:-40~+123.8℃,测量精度:±0.4℃;低功耗80μW。为了保护传感探头,采用铜烧结网进行防护,提高了探头的耐温、耐压、耐损能力,并且可完全浸没使用。适合疏菜大棚、草坪等需要检测土壤温湿度环境的场合使用[1]。

1.2显示与报警模块
显示采用最常见的LCD1602液晶显示模块,设计亮度可调,使用方便简洁,可以显示2行16个字符,完全满足本系统使用的显示要求[2]。阈值报警模块采用声光控方式,采集土壤温湿度信息,当达到报警值时,间隔时间发出声音与光线报警。报警值可设置温度下限、温度上限、湿度下限、湿度下限。
1.3其他模块
设置四个独立按键方式,可以对阈值信息进行设置(三个按键)和模拟报警测试。其中设置的阈值信息采用循环方式设置温度与湿度上下限值,对应指示LED灯亮,并利用24c02存储芯片进行存储。系统预留RS485通信接口,输出采集的温湿度信息,可以与智能家居实现联网通信。系统原理图如图1所示。

2软件设计
软件是在硬件基础上来实现系统功能。软件功能主要包括SHT11数据的读取、数据处理、温湿度信息显示、按键判断与参数调整、显示及存储、判断温湿度信息是否需要报警及串口通信功能[3]。
其中SHT11数据读取和参数存储24C02都采用I2C总线协议,利用单片机端口分别模拟数据传输过程来进行数据信息的读取与写入[4]。预留串口通信,采用中断方式实现,被动传输数据。传输波特率为9600bps。读取命令格式和返回数据格式如表1所示。

3性能及总结
经过制作样机调试,可以实现对盆栽土壤温湿度的检测,湿度测量范围:0~100%RH,测量精度:±3%RH;温度测量范围:0~50℃,测量精度:±1℃。温湿度阈值设置功能可靠工作,报警功能正常,达到设计要求。
